Ваш город Москва

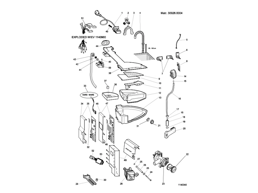
Запчасти для стиральной машины Ariston AML129EU (1140340)

Запчасти для Ariston AML129EU (1140340)

Если вы не смогли найти интересующую Вас запчасть, свяжитесь с нами, мы постараемся помочь с подбором.

Свернуть схему

Код товара TWG000812462
Номер позиции 023
-10%
1 570 руб. 1 420 руб.
Код товара TWG000746148
Номер позиции 023
Насос  для  Ariston AML129EU
-9%
2 010 руб. 1 820 руб.
Код товара TWG000755997
Номер позиции 022
Фильтр  для  Ariston AML129EU
-10%
300 руб. 270 руб.
Код товара TWG00010055
Номер позиции 020
УБЛ  для  Ariston AML129EU
-20%
1 030 руб. 820 руб.
Код товара TWG00012052
Номер позиции 029
Тэн для СМА  для  Ariston AML129EU
920 руб.
Код товара TWG000691365
Номер позиции 008
Держатель  для  Ariston AML129EU
-74%
310 руб. 80 руб.
Код товара TWG00013809
Номер позиции 022
Фильтр  для  Ariston AML129EU
-9%
7 700 руб. 7 000 руб.